产品中心

产品中心

Product Center

  • HXGN15-12单元式交流金属封闭环网开关设备
  • HXGN15-12单元式交流金属封闭环网开关设备
  • HXGN15-12单元式交流金属封闭环网开关设备
  • 产品详情

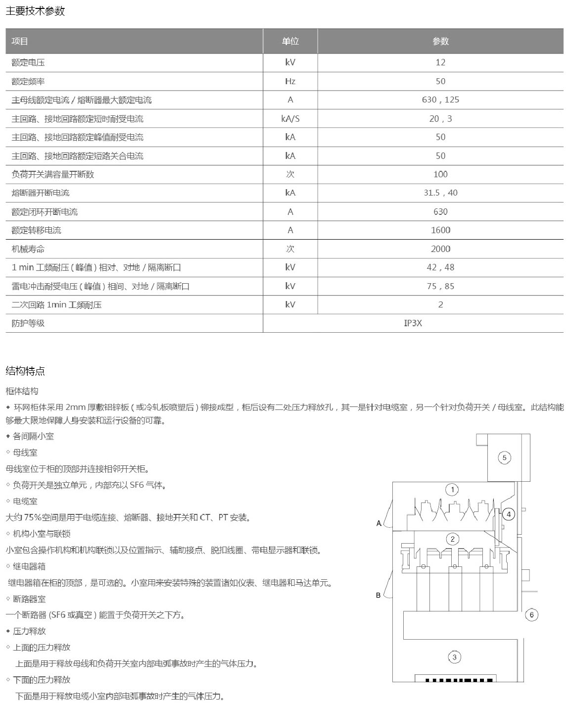
HXGN.jpg1.jpgHXGN.jpg2.jpgHXGN.jpg23jpg.jpg

相关产品

Related Products